Danfoss OP-FPZP Optyma Inverter

Description
These instructions pertain to Optyma™ INVERTER condensing units OP-FPZP (R507A, R404A) used for refrigeration systems. They provide necessary information regarding safety and proper usage of this product. The condensing unit includes the following:
- Reciprocating compressor
- Microchannel heat exchanger
- Adjustable low- and High-Pressure switch
- Frequency INVERTER for Danfoss compressor
- Rotolock Valve Suction / Discharge
- Service valves Suction/ liquid
- Oil Separator
- AC Fan motor
- Weatherproof housing
- Filter drier
- Crankcase heater for the compressor
- Receiver with stop valve
- Sight glass
- Fully pre-wired electrical panel (Contactor)
Handling and Storage
- It is recommended not to open the packaging before the unit is in its final place for installation.
- Handle the unit with care. The packaging allows for the use of a forklift or pallet jack. Use appropriate and safe lifting equipment.
- Store and transport the unit in an upright position.
- Store the unit between -35°C and 50°C.
- Don’t expose the packaging to rain or a corrosive atmosphere.
- After unpacking, check that the unit is complete and undamaged.
Installation
- Do not braze as long as the condensing unit is under pressure.
- Never place the unit in an fammable atmosphere.
- Place the unit in such a way that it does not block or hinder walking areas, doors, windows, or similar.
- Avoid installing the unit in aggressive and dusty environments.
- The unit ambient temperature may not exceed 50°C during-o-cycle.
- Ensure that the power supply corresponds to the unit characteristics (see nameplate).
- Use clean and dehydrated refrigeration-grade copper tubes and silver alloy brazing material.
- Use clean and dehydrated system components.
- The unit must be securely installed on a stable and rigid support and fixed from the beginning.
- It is recommended to install the unit on rubber grommets or vibration dampers (not supplied).
- Slowly release the nitrogen-holding charge through
- The unit must be securely installed on a stable and rigid support and fixed from the beginning.
- It is recommended to install the unit on rubber grommets or vibration dampers (not supplied).
- Slowly release the nitrogen-holding charge through
Leak Detection
- Never pressurize the circuit with oxygen or dry air.
- This could cause a fire or an explosion.
- Do not use dye for leak detection.
- Perform a leak detection test on the complete system.
- The maximum test pressure is 32 bar.
- When a leak is discovered, repair the leak and repeat the leak detection.
Vacuum Dehydration
- Never use the compressor to evacuate the system.
- Connect a vacuum pump to both the LP & HP sides.
- Pull down the system under a minimum vacuum value of 500 μm Hg (0.67 mbar) absolute.
- Do not use a megohmmeter or apply power to the compressor while it is under vacuum, as this may cause internal damage.
Electrical Connections
- Switch off and isolate the main power supply.
- Ensure that the power supply can not be switched on during installation.
- All electrical components must be selected as per local standards and unit requirements.
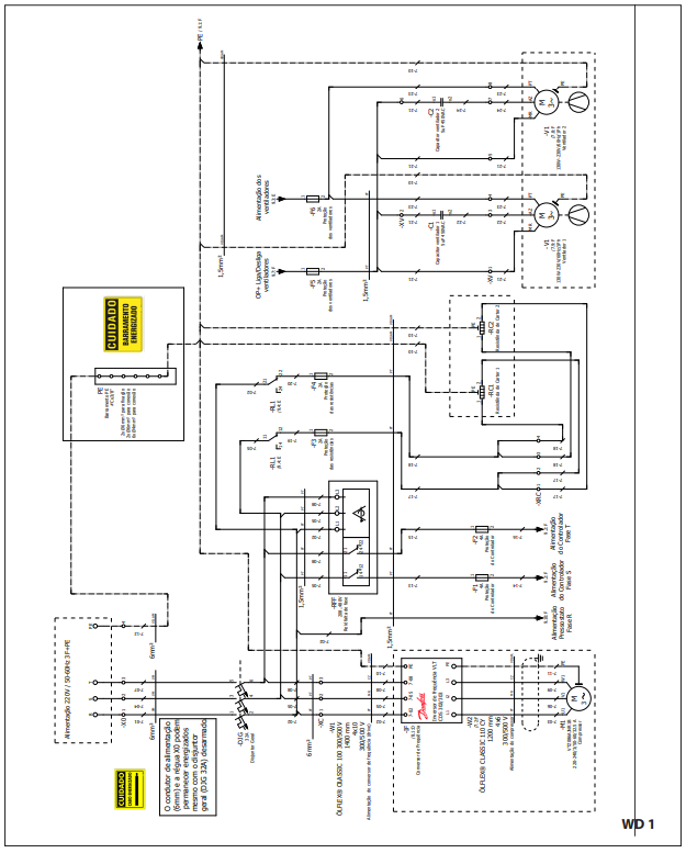
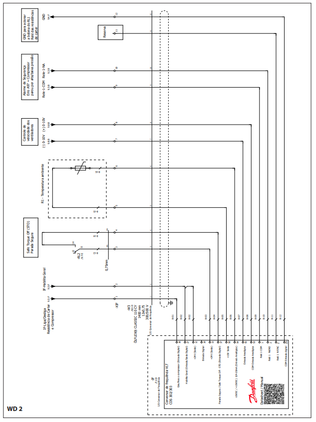
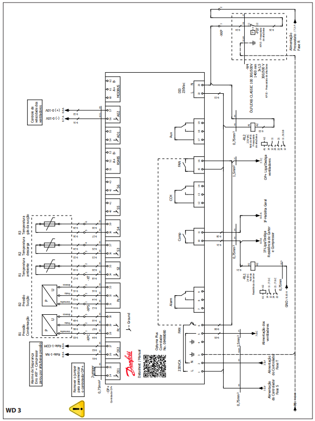
- Refer to the wiring diagram for electrical connection details.
- Ensure that the power supply corresponds to the unit characteristics and that the power supply
is stable (nominal voltage ±10% and nominal frequency ±2,5 Hz). - Dimension the power supply cables according to the unit data for voltage and current.
- Protect the power supply and ensure correct earthing.
- Make the power supply according to local standards and legal requirements.
Filling the System
- Wear protective stuff like goggles and protective gloves.
- Never start the compressor under vacuum. Keep the compressor switched off.
- Before charging the refrigerant, verify that the oil level is between ¼ and ¾ on the compressor oil sight glass. If additional oil is required, please refer to the compressor’s label for the type of oil.
- Use only the refrigerant for which the unit is designed.
- Fill the refrigerant in the liquid phase into the condenser or liquid receiver.
- Ensure the total System Charge must not exceed 9,0 kg due to the pump-down capacity of the system.
- The system is designed to guarantee 40 40-meter line distance for a maximum sum of evaporator volume of 16.5 liters at evaporating temperature = -10°C.
- The maximum sum of evaporator internal volume should not exceed 25 liters.
- Do not put liquid refrigerant through the suction line.
- It is not allowed to mix additives with the oil and/or refrigerant
- The remaining charge is done until the installation has reached a level of stable nominal condition
during operation. Never leave the filling cylinder connected to the circuit.
Verification Before Commissioning
- Use safety devices such as a safety pressure switch and a mechanical relief valve in compliance with both generally and locally applicable regulations and safety standards.
- Check that the settings of high-pressure switches and relief valves don’t exceed the maximum service pressure of any system component.
- Verify that all electrical connections are properly fastened and in compliance with local regulations.
- The condensing unit must be energized at least 12 hours before initial start-up and after a prolonged shut-down period.
Minimum Mounting Distances


Installation and servicing of the condensing units by qualified personnel only. Follow these instructions and sound refrigeration engineering practice relating to installation, commissioning, maintenance, and service. The condensing unit must only be used for its designed purpose(s) and within its scope of application.
Under all circumstances, the EN378 (or other applicable local safety regulation) requirements must be fulfilled. The condensing unit is delivered under nitrogen gas pressure (1 bar), and hence it cannot be connected as it is; refer to the «installation» section for further details. The condensing unit must be handled with caution in the vertical position (maximum offset from the vertical: 15°)
Mounting Bolts

Danfoss Optyma™ INVERTER can work with more than one cold room, once these conditions are met:
- If the chambers have different operating setpoints (different evaporation temperatures, such as, for example, a cooling chamber and a freezing chamber), it is mandatory to use a KVP valve according to the diagram below. In case of any doubts, please refer to the KVP application guide available in the Danfoss Product Store.
- The maximum value of the sum of the volumes of the evaporators operating with the same INVERTER condensing unit must not exceed 25 liters to obtain the maximum cooling capacity mentioned in the catalogue.
- Total refrigerant charge must not exceed 9.0 kg due to system pump down. The unit was designed to guarantee 40 meters of line for a total evaporator volume of 16.5 liters when operating at an evaporation temperature of -10°C.
- To obtain the maximum performance of the unit in relation to energy consumption, it is recommended to use electronic expansion valves in the refrigeration system.

Start-up
- Never start the unit when no refrigerant is charged.
- All service valves must be in the open position. See picture 3.
- Check compliance between the unit and the power supply.
- Check that the crankcase heater is working and was initiated 12 hours before.
- Check that the fan can rotate freely.
- Check that the cardboard protection sheet has been removed from the backside of the condenser.
- Respect the operating limits, high pressure can not be higher than 7 bar at a temperature of 5ºC, and low pressure can not be lower than 2 bar at a temperature of -30ºC
- Turn on the unit by connecting the cables coming from the electrical panel (customer) to the available connectors, and turn the main switch from the OFF (0) position to the ON (1) position.
- Its operation should start immediately. If not, follow the steps below:
Check with the running unit
- Check the fan rotation direction. Air must flow from the condenser towards the fan.
- Check the current draw and voltage.
- Check suction superheat to reduce the risk of slugging.
- Respect the operational limits demonstrated in the envelopes of the condensing unit in Range (T. Evap: -30ºC to 5 ° C, T. AMB: 10 ° C to 43 ° C)
- Check all tubes for abnormal vibration.
- Movements over 1.5 mm require corrective measures such as tube brackets.
- When needed, additional refrigerant in the liquid phase may be added in the low-pressure side as far away as possible from the compressor.
- The compressor must be operating during this process. Do not overcharge the system.
- Never release refrigerant to the atmosphere. Before leaving the installation site, carry out a general installation inspection regarding cleanliness, noise, and leak detection.
- Record type and amount of refrigerant charge, as well as operating conditions, as a reference for future inspections.
Maintenance
- Always switch off the unit at the main switch before removing the fan panel.
- Internal pressure and surface
- Temperatures are dangerous and may cause permanent injury.
- Maintenance operators and installers require appropriate skills and tools.
- Tubing temperature may exceed 100°C and can cause severe burns.
- Verify that safety devices are operational and properly set.
- Ensure that the system is leak-tight. Check the compressor current draw.
- Access to the internal side of the condenser takes place through the fan panel.
- Switch off the unit at the main switch before removing panels from the condensing unit.
- Alternatively, blow compressed air through the coil from the inside out, and brush with a soft bristle.
- Do not use a wire brush. Do not impact or scrape the coil with the vacuum tube or air nozzle.
- Do not use a high-pressure washer.
Warranty
Always transmit the model number and serial number with any claim filed regarding this product. The product warranty may be void in the following cases:
- Absence of nameplate.
- External modification, in particular, drilling, welding, broken feet, and shock marks.
- Compressor opened or returned without a seal of warranty or a seal violated.
- Rust, water, or leak detection dye inside the compressor or any other part,d do not do this fromthe
recommended. one - Use of a refrigerant or lubricant not approved by Danfoss.
- Any deviation from recommended instructions about installation, application, or maintenance.
- Use in mobile applications.
- Use in an explosive atmospheric environment.
- No model number or serial number was transmitted with the warranty claim.
Delivery
- When the condensing unit is hoisted with ropes for delivery, take care to maintain the center of gravity.
It could drop off if the stability is lost. - Determine the delivery route and deliver the Danfoss OP-FPZP Optyma Inverter unit to the installation place without removing the packing.
When hoisting the unit, use a pair of ropes and cushioning material to protect sections chafed by ropes.




Disposal
Danfoss recommends that the condensing units, Danfoss OP-FPZP Optyma Inverte,r and oil be recycled by a suitable company at its site.
Frequency by-pass
If it is necessary to change the inverter, parameterize 4 frequency ranges to avoid resonance in the piping system in the specified range, according to the procedure below:
- Access the Main menu of your INVERTER display available on the electrical box (image 1 and image 2). Then select Limits / Warnings (image 3).

- Using the arrow – select 4-6 Speed Danfoss OP-FPZP Optyma Inverter Bypass and click the “OK” button – the display will appear as image below (image 1). You can skip 04 independent frequency paths [0], [1], [2], and [3].

- Click “OK” to define the first frequency range on the first available path [0]. With the arrow adjust frequency from: 30 Hz; Press button “Back” and then press the arrow to scroll down the cursor, and you will be able to adjust frequency to: 33 Hz.

- Make the same procedure as:
- from 36Hz (2160rpm) to 39Hz (2340rpm).
- from 51Hz (3060rpm) to 55Hz (3300rpm).
- from 75Hz (4500rpm) to 77Hz (4620rpm).
Crankcase Resistance Connection
However, before first start, we must leave it running for 12 hours, so that the oil reaches the necessary viscosity there are no viscosity problems when starting. To do this, simply energize the machine and turn the On/Off switch on the Panel door.
Setting the Electronic Controller
- To display the temperature for the condensing pressure, press the lower button (see picture 2).
- If necessary, change parameter r23 to the desired suction pressure temperature (°C/°F).
- Adjust parameter c33 to set the pump-down value according to your needs.
- Press the middle button; the default maximum discharge temperature is 125°C.
- If the customer wants to increase this value, press the upper button to select the new value (e.g., 130°C), then press the middle button to confirm the selected value.
- The maximum allowable discharge temperature (r84) must not exceed 130°C.

Annex – A GA & PID Drawings
OP – FPZP086
OP – FPZP086

Line Color Table
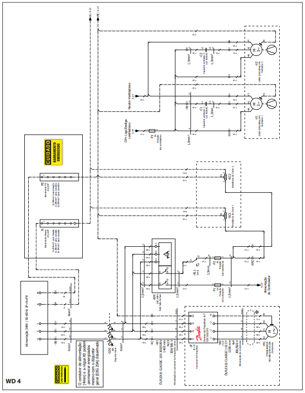
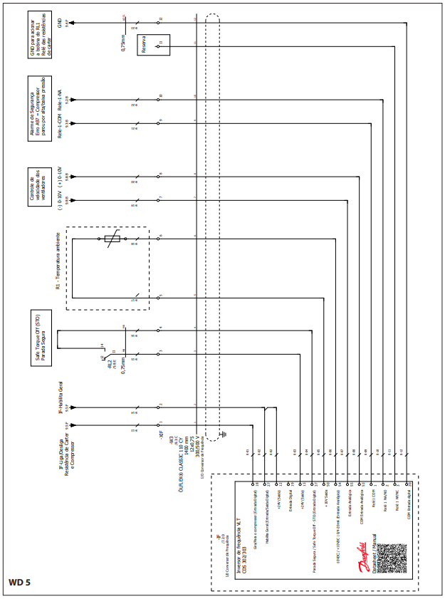
Annex – B Wiring Diagram
Code Q: 230V / 3F / 50-60Hz


Legend

Code V: 380V / 3F / 50-60Hz

Legend

Customer Support
- Website: https://www.danfoss.com/
- Tel: +61 3 9755 6789
FAQs
Q: What is the Danfoss OP-FPZP Optyma Inverter?
For industrial and commercial applications, this variable frequency drive (VFD) offers energy savings, accurate motor speed control, and cutting-edge protective features.
Q: Which motor types can the OP-FPZP control?
Within the rated voltage and power limits of the inverter, it is compatible with three-phase AC induction motors, including common squirrel-cage motors.
Q: How do I power the inverter?
As indicated on the nameplate, connect the inverter to the appropriate AC supply voltage. Verify proper grounding, phase connection, and adherence to regional electrical regulations.
Q: How do I reverse motor rotation?
Use the keypad, control terminals, or a linked PLC to execute the forward/reverse instruction.
Q: How do I reset the inverter to factory settings?
To reset custom parameters and return to default settings, use the keypad menu or Danfoss software.







