
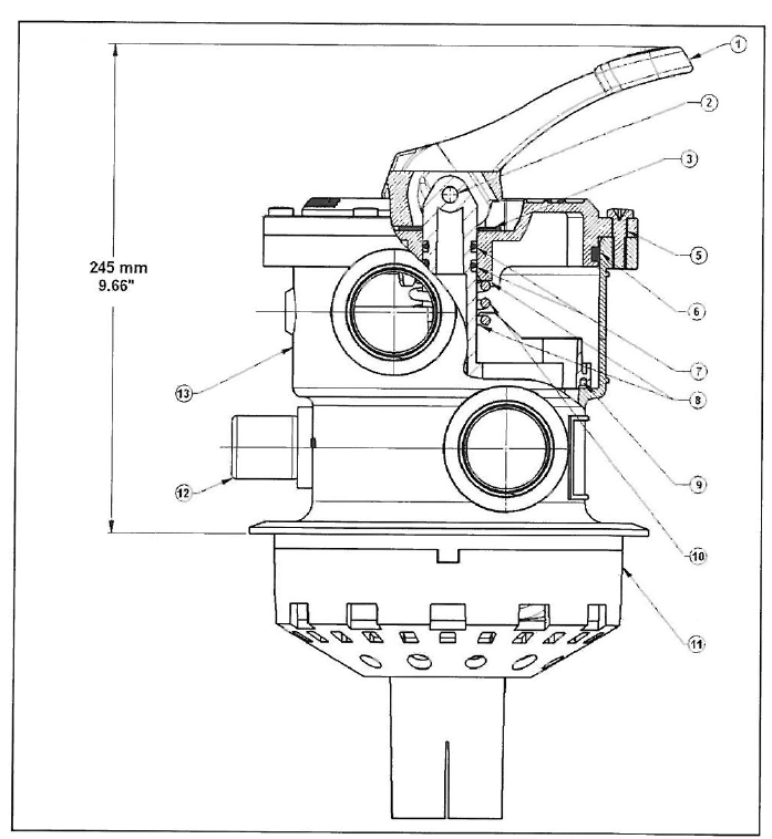
HAYWARD SP0714TC Top Mount Multiport Valve

Safety Instructions
- Do not operate the water circulation system if a system component is assembled improperly, damaged, missing, or not a genuine Hayward component.
- Before performing maintenance on the water circulation system, verify that all system and pump controls are in the OFF position and the filter manual air relief valve is in the OPEN position.
- Use ONLY Hayward clamp system components: DEX2421JKIT clamp assembly, DEX2421J2 nut/bolt assembly, and a DEX2422Z2 metal reinforced seal. Non-Hayward components may fail in use and cause explosive separation.
- Never rely on hand-tightening the clamp nut to the clamp bolt. Using a ¾” socket on a torque wrench, torque the clamp nut and clamp bolt to 150 inch-lbs.
- Before starting the system pump, ensure the filter manual air relief valve body is in the LOCK position in the filter upper body.
- Before starting the system pump, verify that all system valves are set in a position to allow water from the filter to return to the pool.
- Before starting the system pump, the manual air relief valve must be in the OPEN position.
- When starting the pump, do not stand over or near the filter.
- If water leakage appears in the area of the filter tank clamp, immediately turn off all system circulation pumps and electrical power. Do not return to the filter until all water flow has stopped. Reassemble the clamp system per the instructions in this owner’s manual to stop the leak.
- Return to filter to close the manual air relief valve only when a steady stream of water (Not air or air and water mix) is discharged from the manual air relief valve.
- Do not change the filter control valve position while the system pump is running.
Functions

Installation
- To install the clamp, loosely pre-assemble both halves of the clamp with one screw and nut, turning the
- Install the clamp around the tank and the HAYWARD SP0714TC Top Mount Multiport Valve valve flange, and then assemble the second screw and
- Tighten both sides of the clamp alternately and evenly. Use a properly sized large screwdriver.
Tighten firmly to obtain a good seal. - Be sure to place the vinyl protector caps over the exposed ends of the screw.


Replacement Parts

Customer Service
- Ph: 1-800-657-2287
- Website: www.haywardcommercialpool.com
FAQs
What is the purpose of the SP0714TC multiport valve?
The SP0714TC valve makes it simple to operate your pool filtration system by controlling water flow through a variety of filter functions, including filtering, backwashing, rinsing, waste, recirculation, and closed.
How do I change the valve settings?
Until the valve stops in the appropriate position, turn the handle firmly. To prevent damage, always turn off the pump before repositioning a valve.
How often should I perform backwashing?
Backwash when water clarity drops or the pressure gauge indicates 8–10 psi over the clean filter pressure.
Can I lubricate the valve handle or gasket?
Indeed. To guarantee a smooth handle operation and stop leaks, apply a small amount of silicone-based lubrication to the gasket and O-ring of the valve during maintenance.
Can I disassemble the valve for repairs?
Yes, but only after the system has been drained and the pump has been turned off. For comprehensive instructions on how to disassemble and reassemble the valve securely, consult the handbook.
What should I do if the valve is leaking?
Look for wear or damage on the handle, gaskets, and O-rings. Make sure the valve is correctly tightened and replace any damaged parts.
Is it safe to operate the valve with the pump running?
No, to protect the valve and plumbing system, always turn off the pump before repositioning the valve.
How long does a valve typically last?
Depending on pool usage and environmental factors, a Hayward multiport valve can last five to ten years with proper care.

