Makita RP0900 8mm 900W Plunge Router
Safety Instructions
- When using the Makita RP0900 8mm 900W Plunge Router, use clamps or another practical way to secure and support the workpiece to a stable platform.
- Holding the work by your hand or against your body leaves it unstable and may lead to loss of control.
- Wear hearing protection during an extended period of operation.
- Handle the bits very carefully. Check the bit carefully for cracks or damage before operation.
- Replace the cracked or damaged bit immediately.
- Avoid cutting nails. Inspect for and remove all nails from the workpiece before operation.
- Hold the tool firmly with both hands. Keep your hands away from rotating parts.
- Make sure the bit is not contacting the workpiece before the switch is turned on.
- Before using the tool on an actual workpiece, let it run for a while.
- Watch for vibration or wobbling that could indicate an improperly installed bit.
- Be careful of the bit rotation direction and the feed direction.
- Do not leave the tool running. Operate the tool only when hand-held.
- Do not touch the bit immediately after the operation; it may be extremely hot and could burn your skin.
- Do not smear the tool base carelessly with thinner, gasoline, oil, or the like.
- They may cause cracks in the tool base.
- Use bits of the correct shank diameter suitable for the speed of the tool.
- Some material contains chemicals that may be toxic.
- Take caution to prevent dust inhalation and skin contact.
- Follow the material supplier’s safety data.
- Always use the correct dust mask/respirator for the material and application you are working with
Specifications
The following are the key specifications of the Makita RP0900 8mm 900W Plunge Router:
| Model | RP0900 | ||
| Collet chuck capacity | 6mm, 1/4″, 8 mm, and/or 3/8″ | ||
| Plunge capacity | 0 – 35 mm | ||
| No load speed (min-1) | 27,000 | ||
| Overall height | 217 mm | ||
| Net weight | 2.7 kg | ||
| Safety class | /II | ||
- Due to our continuing program of research and development, the specifications herein are subject to change without notice.
- Specifications may vary by country.
- Weight according to EPTA-Procedure 01/2003
Intended Use
The tool is intended for flush trimming and profiling of wood, plastic, and similar materials.
Power Supply
The tool should be connected only to a power supply of the same voltage as indicated on the nameplate, and can only be operated on a single-phase AC supply. They are double-insulated and can, therefore, also be used from sockets without an earth wire.
Noise
- The typical A-weighted noise level is determined according to EN60745
- Sound pressure level (LpA) : 89 dB(A) Sound power level (LWA) : 100 dB(A) Uncertainty (K) : 3 dB(A)
Wear Ear Protection
1 Vibration The vibration total value (tri-axial vector sum) determined according to Work mode: cutting grooves in MDF Vibration emission (ah): 4.0 m/s2 Uncertainty (K) 1.5 m/s
- The declared vibration emission value has been measured in accordance with the standard test method and may be used for comparing one tool with another.
- The declared vibration emission value may also be used in a preliminary assessment of exposure.
- The vibration emission during actual use of the power tool can differ from the declared emission value depending on the way in which the tool is used.
Functional Description
Adjusting the Depth of Cut
When using the Makita RP0900 8mm 900W Plunge Router, adjusting the depth of cut properly is crucial for precise results. Place the tool on a flat surface. Loosen the screw securing the stopper pole. Loosen the lock lever and lower the tool body until the bit just touches the flat surface. Tighten the lock lever to lock the tool body.
Next, lower the stopper pole until it makes contact with the adjusting hex bolt. Align the depth pointer with the “0” graduation. Raise the stopper pole until the desired depth of cut is obtained. The depth of cut is indicated on the scale (1 mm per graduation) by the depth pointer.
Then tighten the screw to secure the stopper pole. Now, your predetermined depth of cut can be obtained by loosening the lock lever and then lowering the tool body until the stopper pole makes contact with the adjusting hex bolt.
Stopper Block
The stopper block has three adjusting hex bolts, which raise or lower 0.8 mm per turn. You can easily obtain three different depths of cut using these adjusting hex bolts without readjusting the stopper pole. Adjust the lowest hex bolt to obtain the deepest depth of cut, following the method of “Adjusting depth of cut”. Adjust the two remaining hex bolts to obtain shallower depths of cut.
The differences in height of these hex bolts are equal to the differences in depths of cut. To adjust the hex bolts, turn them hex bolts. The stopper block is also convenient for making three passes with progressively deeper bit settings when cutting deep grooves.
Adjusting the Lock Lever
With the Makita RP0900 8mm 900W Plunge Router, the locked position of the lock lever is adjustable. To adjust it, remove the screw securing the lock lever. The lock lever will come off. Set the lock lever at the desired angle. After adjustment, tighten the lock lever clockwise.
Switch Action
Before plugging in the Makita RP0900 8mm 900W Plunge Router, always check to see that the switch trigger actuates properly and returns to the “OFF” position when released. To start the tool, simply pull the switch trigger. Release the switch trigger to stop.
Assembly
- Always be sure that the tool is switched off and unplugged before carrying out any work on the tool.
Installing or Removing the Bit
- Install the bit securely. Always use only the wrenches provided with the tool.
- A loose or overtightened bit can be dangerous.
- Do not tighten the collet nut without inserting a bit. It can lead to the breakage of the collet cone.
- Insert the bit all the way into the collet cone and tighten the collet nut securely with the two wrenches.
- A 6 mm or 1/4″ collet cone is also provided as standard equipment, besides the 8 mm or 3/8″ collet cone that is factory-installed on the tool.
- Use the correct size collet cone for the bit that you intend to use.
- To remove the bit, follow the installation procedure in reverse.
Operation
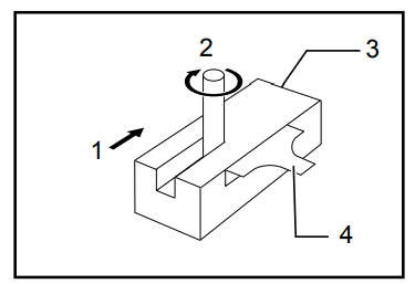
Set the tool base of the Makita RP0900 8mm 900W Plunge Router on the workpiece to be cut without the bit making any contact. Then turn the tool on and wait until the bit attains full speed. Lower the tool body and move the tool forward over the workpiece surface, keeping the tool base flush and advancing smoothly until the cutting is complete. When doing edge cutting, the workpiece surface should be on the left side of the bit in the feed direction.
- Workpiece
- Bit revolving direction
- View from the top of the tool
- Feed direction
- Moving the tool forward too fast may cause a poor quality of cut or damage to the bit or motor.
- Moving the tool forward too slowly may burn and mar the cut.
- The proper feed rate will depend on the bit size, the kind of workpiece, and the depth of cut.
- This will show exactly how the cut will look, as well as enable you to check dimensions.
- When using the straight guide, be sure to install it on the right side in the feed direction.
- This will help to keep it flush with the side of the workpiece.
Straight Guide
The straight guide is effectively used for straight cuts when chamfering or grooving. To install the straight guide, insert the guide bars into the holes in the tool base. Adjust the distance between the bit and the straight guide. At the desired distance, tighten the wing bolts to secure the straight guide in place.
When cutting, move the tool with the straight guide flush with the side of the workpiece. If the distance (A) between the side of the workpiece and the cutting position is too wide for the straight guide, or if the side of the workpiece is not straight, the straight guide cannot be used. In this case, firmly clamp a straight board to the workpiece and use it as a guide against the router base. Feed the tool in the direction of the arrow.
Templet Guide (Accessory)
The template guide provides a sleeve through which the bit passes, allowing use of the tool with template patterns. To install the template guide, loosen the screws on the tool base, insert the template guide, and then tighten the screws.
Secure the template to the workpiece. Place the tool on the template and move the tool with the template guide, sliding along the side of the template.
The workpiece will be cut to a slightly different size from the template. Allow for the distance (X) between the bit and the outside of the template guide. The distance (X) can be calculated by using the following equation: Distance (X) = (outside diameter of the template guide – bit diameter) / 2
Dust Nozzle Set (Accessory)
- Dust nozzle
- Thumb screw
Use the dust nozzle for dust extraction. Install the dust nozzle on the tool base using the thumb screw so that the protrusion on the dust nozzle fits into the notch in the tool base. Then connect a vacuum cleaner to the dust nozzle,
Maintainance
- Always be sure that the tool is switched off and unplugged before attempting to perform an inspection
or maintenance. - Never use gasoline, benzine, thinner, alcohol, or the like.
- Discoloration, deformation, or cracks may result.
- To maintain product SAFETY and RELIABILITY, repairs, any other maintenance, and adjustments should be performed by Makita Authorized Service Centers, always using Makita replacement parts
Optional Accessories
- Straight & groove forming bits
- Edge forming bits
- Laminate trimming bits
- Straight guide
- Templet guide 25
- Templet guides
- Templet guide adapter
- Lock nut
- Collet cone 3/8″, 1/4″
- Collet cone 6 mm, 8 mm
- Wrench 13
- Wrench 22
- Dust nozzle set
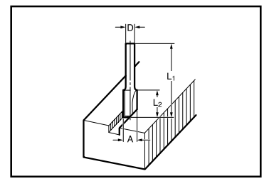
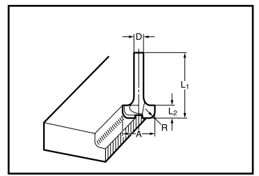
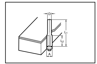
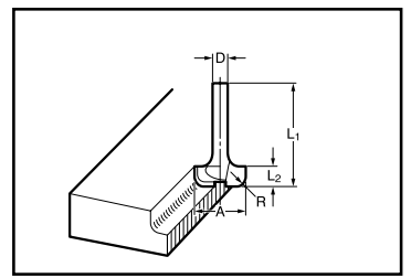
Router Bits Straight Bit 
| D | A | L 1 | L 2 |
| 6 | 20 | 50 | 15 |
| 1/4″ | |||
| 8 | 8 | 60 | 25 |
| 6 | 8 | 50 | 18 |
| 1/4″ | |||
| 6 | 6 | 50 | 18 |
| 1/4″ |
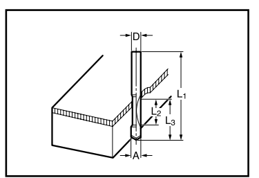
“U” Grooving Bit 
| D | A | L 1 | L 2 | R |
| 6 | 6 | 50 | 18 | 3 |
| 009803
“V “Groovi
|
ng bit | mm | ||
| D | A | L 1 | L 2 | |
| 1/4″ | 20 | 50 | 15 | 90 |
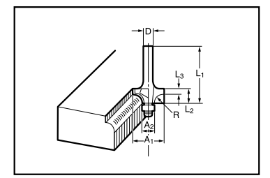
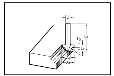
Drill Point Flush Trimming Bit
| D | A | L 1 | L 2 | L 3 |
| 8 | 8 | 60 | 20 | 35 |
| 6 | 6 | 60 | 18 | 28 |
Double Flush Trimming Bit
| D | A | L 1 | L 2 | L 3 | L 4 |
| 8 | 8 | 80 | 55 | 20 | 25 |
| 6 | 6 | 70 | 40 | 12 | 14 |
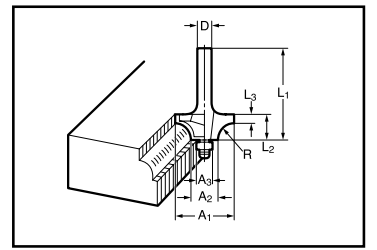
Corner rounding bit
| D | A 1 | A 2 | L 1 | L 2 | L 3 | R |
| 6 | 25 | 9 | 48 | 13 | 5 | 8 |
| 6 | 20 | 8 | 45 | 10 | 4 | 4 |
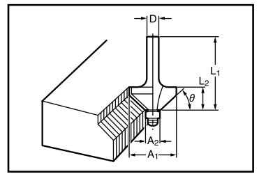
Chamfering Bit
| D | A | L 1 | L 2 | L 3 | |
| 6 | 23 | 46 | 11 | 6 | 30 |
| 6 | 20 | 50 | 13 | 5 | 45 |
| 6 | 20 | 49 | 14 | 2 | 60 |
Cove Beading Bit
| D | A | L 1 | L 2 | R |
| 6 | 20 | 43 | 8 | 4 |
| 6 | 25 | 48 | 13 | 8 |
Ball Bearing Flush Trimming Bit
| D | A | L 1 | L 2 |
| 6 | 10 | 50 | 20 |
| 1/4″ |
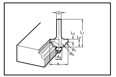
Corner rounding bit
| D | A 1 | A 2 | L 1 | L 2 | L 3 | R |
| 6 | 15 | 8 | 37 | 7 | 3.5 | 3 |
| 6 | 21 | 8 | 40 | 10 | 3.5 | 6 |
| 1/4″ |
Chamfering bit
| D | A 1 | A 2 | L 1 | L 2 | |
| 6 | 26 | 8 | 42 | 12 | 45 |
| 1/4″ | |||||
| 6 | 20 | 8 | 41 | 11 | 60 |
Beading bit
| D | A 1 | A 2 | A 3 | L 1 | L 2 | L 3 | R |
| 6 | 20 | 12 | 8 | 40 | 10 | 5.5 | 4 |
| 6 | 26 | 12 | 8 | 42 | 12 | 4.5 | 7 |
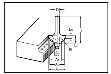
Cove beading bit
| D | A 1 | A 2 | A 3 | A 4 | L 1 | L 2 | L 3 | R |
| 6 | 20 | 18 | 12 | 8 | 40 | 10 | 5.5 | 3 |
| 6 | 26 | 22 | 12 | 8 | 42 | 12 | 5 | 5 |
Roman ogee bit
| D | A 1 | A 2 | L 1 | L 2 | L 3 | R 1 | R 2 |
| 6 | 20 | 8 | 40 | 10 | 4.5 | 2.5 | 4.5 |
| 6 | 26 | 8 | 42 | 12 | 4.5 | 3 | 6 |
Customer Service
- Website: https://www.makitauk.com
- Ph: 1-800-462-5482
FAQs
Q: What is the Makita RP0900 Plunge Router used for?
The RP0900 is a high-performance plunge router made for precision cutting of wood and composite materials, as well as edge profiling, grooving, and ornamental tasks. It is perfect for do-it-yourself woodworking projects, furniture, and cabinets.
Q: What type of collet does the RP0900 use?
It is compatible with normal 8mm router bits and uses an 8mm collet. Before operating, always make sure the bit is correctly inserted and tightened.
Q: What is the power rating of the RP0900?
With its 900-watt rating, the router offers sufficient power for the majority of woodworking operations without sacrificing accuracy.
Q: Can the RP0900 handle edge trimming and molding?
It is appropriate for chamfering, grooving, decorative moulding, and edge trimming. Utilise the proper pieces and run at the suggested rates. For other Makita power tools, you can also check the Makita TW001G Cordless Impact Wrench Instruction Manual for detailed usage and safety instructions
Q: What is the no-load speed of the RP0900?
The router produces fine slices with little tear-out when operating at a no-load speed of about 28,000 RPM.
Q: Can I use the router for long, continuous cuts?
Yes, but don’t let the motor overheat. For deep cuts, use short, controlled passes; during prolonged use, allow the router to cool periodically.
Q: Does the RP0900 have variable speed control?
Yes, it includes a variable speed control that allows you to modify the cutting speed for the best results based on the type of material and bit diameter.
4 Comments
Pingback: Makita DTC100 Cordless Cable Cutter | Safety & Usage Guide
Pingback: Makita VC001GL Cordless Vacuum Cleaner – Full Guide & Specs
Pingback: Makita DCB18WA Basic Battery Charger | Safety, Installation
Pingback: Makita CL004G Cordless Vaccum Cleaner Instruction Guide - onyxguides.com