Vevor XC16A Commercial Slushy Machine 
Safety Instruction
- Do not touch the machine with wet hands, and do not ever insert any part of your body into any part of the machine while it is plugged in or operating, as serious injury may occur.
- Do not wear loose-fitting clothing when operating the machine, as serious injury may occur.
- Do not operate the machine in a wet environment, as an electric shock may occur.
- Do not permit an incapable person or children to operate the machine.
- Do not leave the equipment outdoors or otherwise exposed to inclement or wet weather.
- Do not operate the machine with water or other mix that does not have the appropriate sugar content for slush, as damage to the machine may occur.
- Do not operate the machine if the machine has been dropped or otherwise damaged in any way.
- Contact your local service center before using the machine again.
- Do not open any of the side, front, or back panels of the machine, as an electric shock may occur, and you will void the warranty on the machine.
- Do not open the top of the machine while the machine is running, as the moving parts may cause harm to you. Do not use the equipment barefoot.
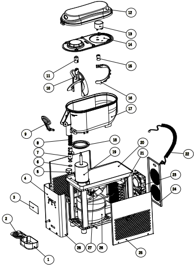
Description

- Drip dray
- Great for the drip tray
- Operation mask
- Front panel
- Expect nib
- O-Ring
- Tap
- Spring
- handle
- Beater
- Beater cover
- Cover
- Motoreductor
- Inner cover
- Bush for motoreductor
- Rear agitator
- Tank
- Tank gasket
- Evaporetor
- Machine base
- Condenser
- wire
- Fan
- Back panel
- Side panel
- Compressor
- Motoreductor
Work Condition
- ambient temperature 5~35!
- ambient humidity less than 90%
- mixing temperature less than 35!
- voltage range 220V” 10% 115V” 10%
- Hz 50″ 1Hz 60″ 1Hz
Installation
Remove the machine from the packaging and check for any visible signs of damage that may have occurred during shipping. Remove the protective coverings (plastic bags, etc.) and ensure that they are stored out of the reach of children. The equipment must never be lifted by the tank or plastic components when being moved, and improper handling may damage the machine.
If you are in any way unsure about the power supply or the power requirements of the machine, have the machine and the power supply inspected by a qualified technician prior to using the machine. The manufacturer and all distributors are not responsible for damage to the machine, property, or the operators resulting from improperly connecting or installing the machine.
Also, before operating the equipment, clean the machine as directed in the Cleaning # Maintenance section. $Install the equipment away from heat sources and leave sufficient space around the machine to ensure adequate cooling by air circulation. There should be at least 20cm of open air on each side of the machine.
Operating Instruction
Before filling the tank, carefully clean and rinse all surfaces that will be exposed to the drink. Fill the tanks with the mix, but no more than up to the maximum level, and replace the top cover on the bowl.
Set gear parameters
Press and hold the “SET key” for 2 seconds to enter the gear parameter setting state. At this time, click the “SET key” to switch gears (range 1 ~ 10). After 5 seconds without operating the key, exit and automatically save the set value.
Set factory parameters
In the gear setting state, press and hold the “setting key” for 5 seconds to enter the factory parameter setting state. At this time, press the setting key to change the setting object, press the “plus key” to change the value, and do not operate the key for 10 seconds. Exit, and automatically save the setting value.
Online speed measurement
In the cleaning state, long-press the cleaning key for 5 seconds to enter the online speed measurement mode. At this time, all indicator lights flash and prompt, and the screen displays the current motor speed. After 20 seconds, the speed measurement ends. If the speed measurement is successful, the screen displays the word end, and the refrigeration light flashes and prompts for 3 seconds. If the speed measurement fails, the screen displays the word err, and the fault light flashes for 3 seconds.
Maintenance
- Remove the covers before

- Empty the tanks.
- Fill the tanks with tepid water to remove the product.
- Residue and rinsing.e To remove the paddle, turn it counterclockwise and after pull it as in the picture.

- To remove the tank, pull it as in the picture.
In some cases, during the Vevor XC16A Commercial Slushy Machine, off of the tank is removed, the tank gasket can remain on the cylindrical evaporator.
To Clean the Dispensing Nozzle
- Remove the lever safety plug, pull in the indicated direction
- Remove the lever as in the picture.
- Remove the lever it will be possible to extract the tap and the spring.

To reassemble the tank, it is necessary to install the tank gasket. The gasket may be installed on the bottom of the bowl or the evaporator. 
Every 30 days, the dust that has accumulated on the condenser should be removed/cleaned. To remove the dust, unplug the machine, remove the right panel, and vacuum or lightly dust the condenser to remove the dust. Reinstall the panel before operating or plugging in the machine.
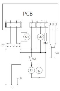
Specification and Electrical Diagram
- Find the specification in the nameplate
- Find the electrical diagram in the side panel

- PCB: Printed Circuit Board
- BT Transformer
- YJ Compressor
- MF Fan Motor
- M1 DC Motor reducer
- M2 AC Motor Reducer
- KM Relay Contact
- SO Sensor
FCC Informaton
This product is subject to the provisions of European Directive 2012/19/EC. The symbol showing a wheelie bin crossed through indicates that the product requires separate refuse collection in the European Union. This applies to the product and all accessories marked with this symbol.
This device complies with Vevor EV-A01-US011B EV Charging Station with Part 15 of the FCC Rules. Operation is subject to the following two conditions:
- This device may not cause harmful interference, and
- This device must accept any interference received, including interference that may cause undesired operation.RF Exposure:
This equipment complies with FCC radiation exposure limits set forth for an uncontrolled environment. Odyy.
Radiation Exposure Statement
This equipment complies with RSS-102 – Radio Frequency(RF)Exposure Compliance radiation exposure limits set forth for an uncontrolled environment.
FCC Statements
Digital device, under Part 15 of the FCC Rules. This equipment generates, usesandcanradiate radio frequency energy and, if not installedandusedinaccordance with the instructions, may cause harmful interference to communications. However, there is no guarantee that interference will not occur in a particular installation.
- Reorient or relocate the receiving antenna.
- Increase the separation between the equipment and receiver.
- Consult the dealer or an experienced radiTV technician for help.
Customer Service
- Website: https://www.vevor.com/
- Manufacturer: Cixi Jirui Electric Appliance Co., Ltd
- Add: 118# Nanxin Road, Zonghan Street, Cixi City, Zhejiang Province
- E-mail: CustomerService@vevor.com
FAQs
Q: How long does it take to make slushies?
After the freezing process begins, the machine usually takes 30 to 60 minutes to attain the ideal slush consistency, depending on the beverage mix, temperature, and sugar level.
Q: What is the recommended sugar content for the mix?
Your beverage mix should contain at least 13–15% sugar for even, smooth freezing. Sugar-free or low-sugar mixtures could not freeze correctly and, over time, could harm the compressor.
Q: Can I use alcohol in the slushy mix?
Yes, but proceed with caution. Liquids with alcohol have a lower freezing point. Keep the finished alcohol percentage between 7 and 8% ABV to get the desired texture. A runny consistency will be the result of higher alcohol content.
Q: Can the machine run continuously?
Although the XC16A is made to run continuously for commercial purposes, it is advised to give the compressor a brief 15–30 minute break every 10–12 hours of operation in order to extend its lifespan.
Q: What is the optimal operating temperature?
The optimal operating temperature range is between 50°F and 86°F (10°C and 30°C). To prevent freezing and overworking the compressor, keep the unit away from heat sources and direct sunshine.
Q: What is the voltage and power requirement?
Depending on your location, the XC16A normally runs on 110V (U.S.) or 220V (EU/UK), with a power rating of roughly 800–1000W per tank. Before plugging in your model, always make sure to verify the nameplate.
Q: Can I leave the slushy mixture in the tank overnight?
Yes, to keep the mixture chilly without it freezing solid, use Night Mode (if it’s available) or go to Chill Mode. To avoid contamination, always make sure the lids are securely closed. If the machine won’t be utilised for more than twenty-four hours, empty and clean it.









