Anko 28-VSH-00-00_REV_C Industrial Series VSH

Safety Instructions
- Failure to follow the instructions in this manual may result in serious injury or death.
- Risk of electric shock. This pump has been rated for indoor use only.
- Always disconnect the power to the pump before conducting maintenance or repairs.
- Always depressurize the system and drain chemicals before installation or maintenance.
- Risk of fire or explosion. Do not pump flammable liquids.
- Severe pinching of fingers can occur while installing and removing the tubing.
Installation
- When facing the pump, the roller assembly spins in a clockwise direction.
- Mount the pump in a level, dry location close to the injection point.
- To minimize back-pressure on the system, keep the discharge tubing a short as possible.
- The recommended location is above the height of the solution tank.
- Voltage and frequency of the power supply must be the same as shown on the unit specification label.
- Ambient air temperature should not exceed 104° F (40° C), and adequate air flow should be provided.
- AC power must be connected to a Grounded Power Outlet (Ground Fault Circuit Interrupter, GFCI).
Operation
- Tube failure may result in fluid being sprayed from the pump. Use appropriate measures to protect the operator and equipment. Tubing should be inspected periodically for tears, cracks, cuts, or abrasions.
- Use only factory-approved tubing from the designated tubing class. Incorrect tubing can adversely affect performance or damage the pump.
Controls
Always confirm the power switch is in the designated OFF position before plugging the pump into any power source.
- Way Rocker
For units equipped with a two-way rocker, up is full speed ON, and the down position is OFF. - Way Rocker
For units equipped with a 3-way rocker, up is full speed ON (or potentiometer setting if equipped), center is OFF, and down is AUX mode (function varies by model). - Potentiometer
Certain models are equipped with either a single-turn or 10-turn potentiometer to regulate pump speed, analog signal scalability, or dispense time. - Momentary Button
Pulse timer models are equipped with a momentary button to test the ON time setting for calibration purposes. - Mode Switch
For some models equipped with a remote operation function, a 2-way switch or latching button is located on the back of the pump, which activates and deactivates external control.
Adjusting Flow Output
- Fixed Speed Models
There is no flow output adjustment. - Variable Speed Models
Flow output is controlled by motor speed. Rates are adjustable from approximately 5% to 100%. Refer to the Remote Operation section for analog controls. - Cycle Timer Models
Cycle time is defined as the sum of the ON TIME and OFF TIME. ON TIME is set by the potentiometer and can be incremented up to the model’s maximum total cycle time. - Pulse Timer Models
ON TIME is set by the potentiometer up to the model’s maximum dispense time.
Remote Operations
Remote Start/Stop
For pump models equipped with remote start/stop, this feature operates by receiving a dry contact signal and is intended to be connected to a dry contact switch. The input has no polarity. No voltage is permitted on the input signal. The pump will activate and run while the switch is closed, and deactivate and stop when the switch opens. To activate this feature, install the pair of wires from the dry contact switch closure device into the terminal block (Figure 1).
Set the 2-way rocker in the right (I) (AUX) position to place the pump in dry contact mode. The pump will now operate only when receiving a closed contact signal. To return to local control, move the rocker switch to the left (O) (ON) position.
Establishing Analog Connection
To establish and operate the analog control feature:
- Install the two-wire lead (right side of terminal is positive, left is negative) from the 4-20mA or 0-10VDC source into the terminal block (Figure 6).

- For scalable models, set the potentiometer to the desired scaling percentage. To operate without scaling, set the potentiometer to 100%.
- Set the 2-way rocker in the right (I) (AUX) position to activate the control feature. The pump will now operate only when receiving the analog signal.
Maintainance
Routine Inspection
Inspect for any signs of leaking and early indications of potential tube failure (e.g., swelling, cracking, or discoloration). Replace any worn or damaged components immediately. Always check the chemical compatibility and pressure rating of the tubing before use.
Replacing the Tubing
- Tubing connections may be under pressure.
- Always depressurize the system before connecting or disconnecting the pump.
- Wear protective clothing, gloves, and safety glasses when working with or near the pump.
- Severe pinching of fingers can occur while installing and removing the tubing.
Replacing the Tubing
Powered
When facing the pump, the roller assembly spins in a clockwise direction. The inlet (suction) side is located on the left side of the pump head, and the outlet (discharge) is located on the right.
- Disconnect any suction and discharge tubes from the pump tube.
- Remove the tubing retention clips.
- Clean the area before moving to tubing installation.
Unpowered
- Disconnect power to the pump
- Remove the four screws that secure the pump house assembly. (Figure 7)

- Remove the pump house ring to expose the roller assembly and tube. (Figure 8)

- Pull the tube out from the roller assembly and the pump house assembly. (Figure 9)

- Clean the area before moving to tubing installation.
Tubing Installation
Powered
Start with a section of tubing at least 15” in length. Once installed, this will result in approximately 1 1/2” extending below both sides of the pump head for fittings and attachments.
- Cut the tubing at a slight angle (20°–30°) in the tube; this will assist with the feeding process. (Figure 10)

- With the pump running, insert the tube, cut the angle facing the inner pump head wall inside the channel of the inlet (suction) side of the pump head.

- Remove the angle cut from the tube. (Figure 12)

- Attach the retention clips on both sides of the tube, just below the base of the pump head, to prevent tube migration during operation. (Figure 13)

Unpowered
- Remove tubing per the Tubing Removal procedure.
- Disconnect power to the pump.
- Remove the screws from the pump head tabs and remove the housing. (Figure 14)

- – Remove the roller assembly by sliding it off the motor shaft. (Figure 15)

- Remove the free-floating ring that rides against the pump housing. (Figure 16)

- Follow the pump head installation on page 13.
Pump Head Replacement
Pump Head Installation
Start with a section of tubing at least 15” in length. Once installed, this will result in approximately 1 1/2” extending below both sides of the pump head for fittings and attachments.
- Place the pump head housing face down on a flat surface. (Figure 17)

- Install roller assembly with Tube, make sure recessed portion indicated by a color dot faces down into the pump housing. (Figure 18, 19)

- Install the pump cover ring on the back of the pump housing. (Figure 20)

- Slide the complete assembly over the motor shaft and attach it to the pump unit. (Figure 21) Ensure the pump shaft is seated in the pump head housing bushing.


Once disassembled, remove any particles or debris from the pump head housing and roller assembly. Inspect the pump head for cracks or other damage. Ensure rollers turn freely.
Fuse Replacement
- Disconnect power to the pump.
- Slide out the fuse tray from the IEC socket. (Figure 23)

- Replace the fuse with one of identical size & amperage rating
- Slide the fuse tray back in to lock.
SPECIFICATIONS
General Specifications
| Pump Head | A603 |
| Tubing Class | ANKO Ultra Class |
| Tube Bores | 3/8”, 1/4” |
| Motor Type | Brushless DC |
| Duty Cycle | Continuous |
| Speed Control | ± 2.0% |
| Motor Speed Adjustment (Variable Speed Models) | 5% to 100% |
| Voltage | 100-240V 50/60Hz |
| Plug Type | NEMA 5-15P |
| Max Working Pressure | 25 PSI (Varies by Tubing) |
| Enclosure | Polypropylene RTP 155 |
| Pump Head | Polycarbonate |
| Rotor | Polycarbonate |
| Rollers | MoS2 Filled Nylon |
| Compliance (US and Canada) | UL778 FCC Part 15b Class A |
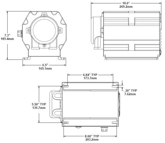
Dimensions

TROUBLESHOOTING
| Problem | Potential Cause | Solution |
| Pump tubing worn | Replace tubing | |
| Fluid Leaking | Excessive back pressure | Ensure system pressure does not exceed tube pressure rating |
| Tube connections are not tight. | Ensure tubing connections are properly connected. | |
| Pump Will Not Start | The outlet is not powered | Verify that the unit is plugged into a functioning outlet |
| Blown fuse | Replace fusThe e | |
| IThe EC plug has a loose connection | Verify the power cord is firmly attached to the IEC receptacle | |
| The gearbox assembly is worn | Replace unit | |
| Pump Runs but Does Not Meet Rated Flow | Tubing is worn | Replace tubing |
| Non-compatible tubing used | Use specified tubing | |
| Fluid viscosity is too high | Lower viscosity, use larger bore tubing | |
| Pump height is too high | Reduce pumping height | |
| Shortened Tube Life | Non-compatible tubing used | Use specified tubing |
| Seized rollers caused abrasion on the tube | Clean the roller assembly or replace | |
| Fluid is not compatible with tubing | Use chemically compatible tubing | |
| Non-compatible tubing used | Use specified tubing | |
| Unit is ON, but the Pump Will Not Turn | Gearbox assembly worn | Replace unit |
Disposal
Do not dispose of this product with normal household waste collection. If unsure, contact the local council waste management service for proper disposal facilities available for your area. a
Warranty
This warranty is in addition to your rights under the Australian Consumer Law. For New Zealand customers, this warranty is in addition to statutory rights observed under New Zealand legislation.
We will provide you with your choice of a refund, repair (where possible), or exchange (availability dependent) for this product if it becomes defective within the warranty period. The business will bear the reasonable expense of claiming the warranty. This warranty will no longer apply where the defect is a result of alteration, accident, misuse, abuse, or neglect.
Please retain your receipt as proof of purchase and contact our Customer Service Centre as listed below, for the entity you purchased this product from, for any difficulties with your product.
Customer Service
- Website: https://ankoglobal.com/
- Ph: +1 800-446-2656
FAQs
Q: What power supply does this model require?
Prior to installation, always make sure the label and electrical requirements are correct.
Q: Can the VSH be used outdoors?
Unless otherwise noted in the installation instructions, stay out of direct contact with caustic conditions or heavy rain.
Q: How do I replace the motor or electrical components?
Prior to servicing, disconnect all power and adhere to the manual’s detailed instructions.
Q: Can I adjust the fan speed?
If your model has a variable speed control module, then the answer is yes. Observe the manual’s electrical and safety guidelines. Without the right training, don’t try changing your pace.
Q: How long is the typical service life of the VSH?
The Industrial Series VSH can function dependably under typical industrial circumstances for five to ten years or more with the right maintenance.
Q: Can the VSH handle corrosive or dusty environments?
Typical industrial air handling is the purpose of the standard VSH. Think about protective coatings, filters, or a specialised model for severely dusty or corrosive situations.



















