AVANTCO 177STE2S Electric Steam Table

Parts List

| Key | Description | Item No. | 177STE2S | 177STE3S | 177STE4SA | 177STE4SH | 177STE5S |
| 1A | Cutting Board, 2-Well | 177P2WPBRD | 1 | — | — | — | — |
| 1B | Cutting Board, 3-Well | 177P3WPBRD | — | 1 | — | — | — |
| 1C | Cutting Board, 4-Well | 177P4WPBRD | — | — | 1 | 1 | — |
| 1D | Cutting Board, 5-Well | 177P5WPBRD | — | — | — | — | 1 |
| 2 | Cutting Board Brackets | – | 1 | 1 | 1 | 1 | 1 |
| 3 | Cutting Board Shelf | – | 1 | 1 | 1 | 1 | 1 |
| 4 | Front Outer Board | – | 1 | 1 | 1 | 1 | 1 |
| 5A | Infinite Control, 120V | 177PTHERM1 | 2 | 3 | 4 | — | — |
| 5B | Infinite Control, 240V | 177PTHERM2 | — | — | — | 4 | 5 |
| 6A | Orange Indicator Light, 120V | – | 2 | 3 | 4 | — | — |
| 6B | Orange Indicator Light, 240V | 177PSAL29 | — | — | — | 4 | 5 |
| 7 | Temperature Control Knob | 177PSWKNOB | 2 | 3 | 4 | 4 | 5 |
| 8 | Leg Assembly | – | 4 | 4 | 4 | 4 | 4 |
| 9 | Leg Bracket | – | 4 | 4 | 4 | 4 | 4 |
| 10 | Top Cover Frame | – | 1 | 1 | 1 | 1 | 1 |
| 11A | Heating Element, 500W | 177PELEM500 | 2 | 3 | 4 | — | — |
| 11B | Heating Element, 750W | 177PELEM750 | — | — | — | 4 | 5 |
| 12 | Back Outer Board | – | 1 | 1 | 1 | 1 | 1 |
| 13 | Terminal Block | 177PTBLOCK | 1 | 1 | 1 | 1 | 1 |
| 14A | Power Cord, 120V | – | 1 | 1 | 1 | — | — |
| 14B | Power Cord, 208/240V | 177PCD208240 | — | — | — | 1 | 1 |
| 15 | Power Cord Bushing | – | 1 | 1 | 1 | 1 | 1 |
| 16 | Well | – | 2 | 3 | 4 | 4 | 5 |
| 17 | Insulation Cover | – | 2 | 3 | 4 | 4 | 5 |
| 18 | Side Outer Board | – | 2 | 2 | 2 | 2 | 2 |
| 19 | Side Bottom Board | – | 2 | 2 | 2 | 2 | 2 |
| 20 | Bottom Board | – | 1 | 1 | 1 | 1 | 1 |
| 21 | Feet | – | 4 | 4 | 4 | 4 | 4 |
| 22 | Undershelf | – | 1 | 1 | 1 | 1 | 1 |
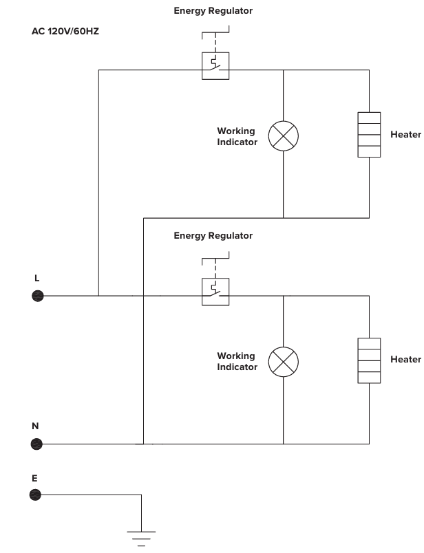
3 Well Circuit Diagram
Electric Wiring Diagram


4 Well Circuit Diagram
Electric Wiring Diagram


5 Well Circuit Diagram
Electric Wiring Diagram

Customer Service
- Website: https://www.avantcoequipment.com/
- Tel: 717-381-4844
FAQs
Q: What is the Avantco 177STE2S Electric Steam Table used for?
Ans: During buffet service, catering, or cafeteria operations, the Avantco 177STE2S is a two-well electric steam table that maintains hot food products at safe serving temperatures. It preserves food quality over long periods of time by using mild, moist heat (via water pans).
Q: How many food pans does the unit hold?
Ans: There are two full-size pan wells in this model. Each well may accommodate several smaller fractional pans or a full-size 12″ x 20″ steam pan.
Q: How does the steam table keep food warm?
Ans: It produces steam by heating the water in each well using moist heat. Unless instructed otherwise, always use water in the wells.
Q: What is the power requirement for this unit?
Ans: The 177STE2S has a NEMA 5-15P socket and operates on 120V electricity.
Q: How much water should I add to each well?
Ans: Add enough water to reach the suggested water line, which is usually 1.5 to 2 inches deep, or to submerge the heating element. Throughout service, keep an eye on the water levels and never overfill.
Q: How do I control the temperature of each well?
Ans: You can manually modify the heat output by using the independent infinite control knob on each well. Depending on the type of food and the required temperature, start at a medium setting and modify. To ensure food safety, use a thermometer that is safe for use with food.
Q: Does this unit come with a sneeze guard or cover?
Ans: By default, the basic unit is devoid of pan covers and a sneeze guard. To improve food safety and display, these add-ons are available for separate purchase.



