
BROMIC AFFINITY SMART-HEAT Outdoor Wall Switch
Introductiom
Bromic Heating’s Manual Wall Switches are the simple on/ off solution for outdoor heating control. Manufactured by Leviton, these devices combine designer styling with all the benefits of rugged Commercial Grade construction, including quiet switch controls and access to top or side-wired. With indoor and covered outdoor single and double pole options, the 20-amp, 120/277-volt manual wall switch can be placed where convenient access is needed. Ideal for individual element control.
Safety Instructions
- Use this appliance only as described in this manual.
- Any other use not recommended by the manufacturer may cause fire, electric shock, or injury.
- The manufacturer is not responsible for any damage that could happen from improper use.
- Check the appliance for damage.
- Do not operate a damaged unit.
- Check for damage to the appliance regularly.
- Keep packaging material out of each child’s reach.
- Do not attempt to alter the appliance in any manner.
- Please pay attention to the maximum load limit when filling the shelves.
- Do not operate the appliance with panels, covers, or guards removed.
- Keep the air intake and outlets free of obstructions.
- Do not use the appliance outdoors.
- Remove transit protection before use.
Plug and Supply Cord
- Use an appropriately rated plug and supply cord – check the power requirements of the connected loads. The socket outlet used must be near the equipment.
Overcurrent Device
- Evaluate the characteristics of the connected loads and apply the appropriate safety devices to the power line.
Description
| Model | BH3130081 | BH3130082 |
| Description | Manual Single 20Amp Switch 120-277V Indoor Kit | Manual Single 20Amp Switch 120-277V Indoor Kit |
| Amperage | 20 A | 20 A |
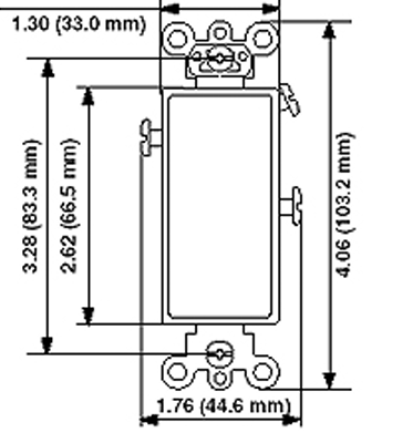
Dimensions
Wiring Diagrams


Customer Support
- Website: www.bromicgroup.com/
- Tel: 1300 276 642
FAQs
Q: What is the BROMIC AFFINITY Smart-Heat Outdoor Wall Switch used for?
Ans: The purpose of the wall switch is to manually turn the Bromic Smart-Heat outdoor heaters on and off. It is perfect as a backup control option or in settings where automated or remote control is not necessary.
Q: What types of heaters is this wall switch compatible with?
Ans: The majority of Bromic Smart-Heat gas and electric heaters, including those in the Platinum and Tungsten series, are compatible with the switch. Always check compatibility with a certified technician or in the installation manual for your heater.
Q: Can this wall switch be used with multiple heaters?
Ans: Indeed. As long as the overall load does not beyond the switch’s rated electrical capacity, you can wire the wall switch to control one or more heaters at once. To guarantee correct configuration, speak with an electrician.
Q: What is the voltage and load rating for the switch?
Ans: The switch is rated to manage up to 16A (or model-specific amperage) and normally supports 220-240V AC. During installation, always consult the product label and local electrical codes.
Q: Is professional installation required?
Ans: Indeed. Only a certified electrician should install this hardwired electrical component in compliance with local construction and electrical codes.
Q: Does the wall switch provide temperature control or dimming?
Ans: No, just a simple ON/OFF operation is possible with the wall switch. Use Bromic’s Dimmer Controller or Smart-Heat Link, which integrates with home automation systems, for smart control or variable heat output.




